Контакты
Новости
Каталоги
 Войти
Сортировать:
Сначала новые
Сначала старые
Цена ↑
Цена ↓
Кол-во ↑
Кол-во ↓
Имя A→Я
Имя Я→A
Серийник ↑
Серийник ↓
87801434 - элемент
4 736 ₽
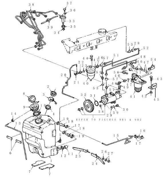
87801467 - трубка
5 886 ₽
87801532 - щуп
6 856 ₽
87801533 - Щуп
1 923 ₽
87801534 - щуп
4 399 ₽
87801536 - Щуп масл. ДВС Ford 675 TM/MXM, TC, CS, CX
3 206 ₽
87801547 - Прокладка
332 ₽
87801626 - трубка
14 819 ₽
87801627 - трубка
4 083 ₽
87801633 - втулка
360 ₽
87801653 - Прокладка
5 365 ₽
87801658 - Уплотнение коллектора выпускн. ДВС Ford 675 TM/MXM, TC, CS, CX
1 756 ₽
87801689 - Регулятор
13 740 ₽
87801697 - трубка
967 ₽
87801698 - Трубка системы смазки
24 377 ₽
87801700 - Трубка
17 099 ₽
AGCO166961900010 -
4 076 ₽
AGCO1747-MF-EN01
4 078 ₽
AGCO036591S1
4 080 ₽
87801741 - Поршневой палец
1 901 ₽
87801743 - Палец поршн. ДВС Ford 675 TM/MXM, TC, CS, CX
10 612 ₽
87801746 - трубка
21 520 ₽
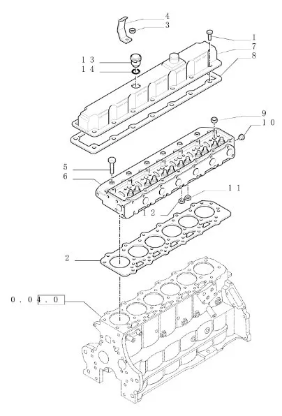
87801752 - Прокладка ГБЦ ДВС
18 032 ₽
AGCO104201W1
3 695 ₽
«
<
1
...
261
262
263
264
265
...
34117
>
»
Страница:
Перейти